コンテンツにスキップ
現場のための資材・工具・金物・ワークウェアのプロユースECサイト
現場のための資材・工具・金物・ワークウェアのプロユースECサイト

請求書の後払いでご利用頂けます。

法人や個人事業でご利用のお客さまに便利な初回から使えるBtoB後払い。使い方はこちら

耐火二層管(FDP)用 TN床バンド トミジ用

SKU 100ATNTYUKAband_akagi
売切れ御礼
通常価格 ¥1,304
通常価格 ¥1,304 - 通常価格 ¥1,304
通常価格 ¥1,304
現在の価格 ¥869
¥869 - ¥869
現在の価格 ¥869
表示価格は全て税込みです。
 別のお支払い方法
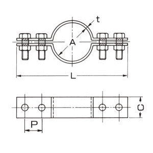
耐火二層管(FDP)用の床バンド。
●パイプメーカーにより管外径が異なる場合があります。ご注意ください。
●電気亜鉛めっき仕上げ。
 
品番コード A10414TN床バンド 単位〔㎜〕
サイズ
コード
サイズ 適合管外径 t C 締付ボルト
径×長さ
L P 入数
(個)
0016
0035
0040
0054
0069
 40
 50
 65
 75
100
63
75~76
91~92
104~105
131~132
2.6
2.6
2.6
2.6
2.6
25
25
25
25
25
M 8×30
M 8×30
M 8×30
M 8×30
M 8×30
189
202
218
230
258
30
30
30
30
30
140
120
100
 80
 50
0073
0088
0092
125
150
200
158~159
185~187
236
3.2
3.2
3.2
32
32
32
M10×35
M10×35
M10×35
366
394
544
55
55
76
 30
 30
 

※TNFタイプは、A15374TNF床バンドをご指示ください。

シザいもんブログ

新着コレクション

```html
```